Протос Маркет
Ваш город
Челябинск
Сравнение0 Отложенные 0 Корзина0 пуста 0
ВойтиМой кабинет
+7 (000) 000-00-10
+7 (000) 000-00-10 Звоните с 9:00 до 20:00
+7 (000) 000-00-11 Звонок бесплатный
+7 (000) 000-00-12 Бухгалтерия
Заказать звонок
sale@protosm.ru
Каталог
Грузоподъемное оборудование
Строительное оборудование
Складская техника
Грузозахватное оборудование
Силовая техника
Садовая и уборочная техника
Автогаражное оборудование
Инструмент
Станки
Прочее
    • Тали
      Тали
    • Лебедки
      Лебедки
    • Домкраты
      Домкраты
    • Захваты
      Захваты
    • Тележки для талей
      Тележки для талей
    • Платформы грузовые
      Платформы грузовые
    • Краны и балки
      Краны и балки
    • Запчасти и комплектующие
      Запчасти и комплектующие
    • Пульты управления
      Пульты управления
    • Колеса большегрузные
      Колеса большегрузные
    • Бетономешалки
      Бетономешалки
    • Виброплиты
      Виброплиты
    • Виброрейки
      Виброрейки
    • Вибротрамбовки
      Вибротрамбовки
    • Глубинные вибраторы
      Глубинные вибраторы
    • Катки
      Катки
    • Молотки отбойные
      Молотки отбойные
    • Резчики швов
      Резчики швов
    • Шлифовальные и затирочные машины
      Шлифовальные и затирочные машины
    • Фрезеровальные машины
      Фрезеровальные машины
    • Установки для резки и сверления бетона
      Установки для резки и сверления бетона
    • Тележки складские
      Тележки складские
    • Штабелеры
      Штабелеры
    • Столы подъемные
      Столы подъемные
    • Подъемники
      Подъемники
    • Сборщики заказов
      Сборщики заказов
    • Ричтраки
      Ричтраки
    • Тягачи
      Тягачи
    • Погрузчики
      Погрузчики
    • Оборудование для бочек
      Оборудование для бочек
    • Запчасти и комплектующие
      Запчасти и комплектующие
    • Захваты
      Захваты
    • Блоки монтажные
      Блоки монтажные
    • Стропы
      Стропы
    • Такелажное оборудование
      Такелажное оборудование
    • Покрасочное оборудование
    • Насосное оборудование
    • Компрессоры
    • Сварочное оборудование
    • Генераторы
    • Двигатели внутреннего сгорания
    • Тепловое оборудование
    • Газонокосилки
    • Пилы цепные
    • Воздуходувки
    • Культиваторы
    • Садовые измельчители
    • Тракторы
    • Мойки высокого давления
    • Снегоуборщики
    • Клиниговое оборудование
    • Триммеры
      Триммеры
    • Подъемники
    • Домкраты
    • Автоинструмент
    • Бензоинструмент
    • Электроинструмент
    • Пневмоинструмент
    • Измерительный инструмент
    • Ручной инструмент
    • Камнеобработка
    • Сверлильные станки
    • Для работы с арматурой
    • Станки для резки металла
    • Шлифовальные станки по металлу
    • Деревообработка
    • Токарные станки
    • EVOline
    • Foxweld
    • МИР ИНСТРУМЕНТА
    • СИБТОРГСЕРВИС
    • FUBAG
    • STEM
    • TSS
    • MITSUDISEL
    • FIBROPOL
    • ADVANTA
    • TOR
    • LavorPro
    • ZITREK
    • Окалифт
    • Patriot
    • Грузовая механика
    • Астари
    • GROST
Строительное оборудование
Грузоподъемное оборудование
Складская техника
Силовая техника
О компании
  • Стать поставщиком
  • Новости
  • Отзывы
  • Политика
Контакты
Ещё
    Протос Маркет
    Сравнение0 Отложенные 0 Корзина0 0
    Протос Маркет
    Сравнение0 Отложенные 0 Корзина0 0
    Телефоны
    +7 (000) 000-00-10 Звоните с 9:00 до 20:00
    +7 (000) 000-00-11 Звонок бесплатный
    +7 (000) 000-00-12 Бухгалтерия
    Заказать звонок
    • Челябинск
      • Назад
      • Города
      • Челябинск
      • Москва
      • Санкт-Петербург
      • Екатеринбург
      • Казань
      • Воронеж
      • Краснодар
      • Ростов-на-Дону
      • Уфа
    Поделиться

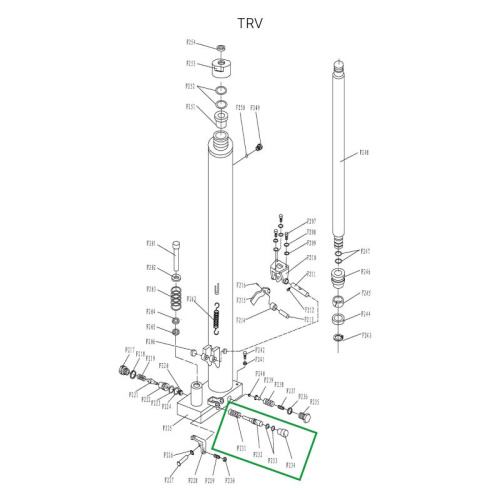
    Клапан обратный для TRV в Челябинске

    Главная
    -
    Складская техника в Челябинске
    -
    Запчасти и комплектующие
    -Клапан обратный для TRV в Челябинске
    • Клапан обратный для TRV по ценам производителя в Челябинске с доставкой по всей России
    • Клапан обратный для TRV по ценам производителя в Челябинске с доставкой по всей России
    • Previous
    • Next
    • Клапан обратный для TRV по ценам производителя в Челябинске с доставкой по всей России
    • Клапан обратный для TRV по ценам производителя в Челябинске с доставкой по всей России
    • Клапан обратный для TRV по ценам производителя в Челябинске с доставкой по всей России
    • Клапан обратный для TRV по ценам производителя в Челябинске с доставкой по всей России
    Артикул: R000025
    Характеристики
    Название модели
    R000025
    1 428.30 руб./шт
    Нашли дешевле?
    Заказать
    Наши менеджеры обязательно свяжутся с вами и уточнят условия заказа
    Поделиться

    Заявку можно оформить по телефону  +7 495 241-31-01, через WhatsApp / Telegram, отправить на почту sale@protosm.ru или через корзину на сайте.
    • Описание
    • Как купить
    • Отзывы
    • Задать вопрос
    • Доставка и оплата
    Описание

    Клапан обратный.


    Подходит для моделей:



    • TRV 1016/1020/1025/1030/1516/1525/1530/2016.

    Как купить

    Заказать товар очень просто! Для этого подойдет любой удобный Вам способ:

    1. Оформить заказ через корзину (предоплата не обязательна)
    2. Позвонить +7(495)241-31-01 или заказать обратный звонок
    3. Отправить запрос по электронной почте:
      - sale@protosm.ru
      - info@protosm.ru
    4. Отправить запрос через чат-форму на сайте.

    Оформить на сайте

    Добавьте нужный товар «В корзину» и нажмите «Оформить заказ»:

    Войти в личный кабинет и сделать заказ

    Перед оформлением заказа лучше войти в свой аккаунт или зарегистрироваться. Тогда Вам будут доступны сервисы «Личного кабинета», а также персональные скидки и предложения.

    Сделать быстрый заказ через чат-форму

    Вы можете сделать заказ быстро, заполнив всего несколько полей: имя и телефон. Операторы кол-центра свяжутся с Вами для уточнения деталей заказа.

    Заказать по телефону

    +7(495)241-31-01 (ПН-ПТ 9:00-18:00)

    По телефону Вас проконсультируют по всем вопросам, расскажут про преимущества товаров, гарантию и примут заказ. Если Вы позвонили в нерабочее время (рабочее время с 9:00 до 18:00), оставьте свой номер в форме обратного звонка, и Вам перезвонят.

    Заказать по электронной почте

    • sale@protosm.ru
    • info@protosm.ru

    Напишите нам, какие товары Вам нужны, и мы поможем оформить заказ. Оставьте свой телефон, чтобы мы могли перезвонить для уточнения деталей.

    Вы также можете прислать заказ в любом удобном формате, например, excel или pdf.

    Если Вы представитель юридического лица, то пришлите нам реквизиты, чтобы мы смогли выставить счет.

    Отзывы
    Отзывы
    Нет оценок
    Оставить отзыв
    Загрузка отзывов...
    Задать вопрос
    Вы можете задать любой интересующий вас вопрос по товару или работе магазина.

    Наши квалифицированные специалисты обязательно вам помогут.

    Задать вопрос

    Доставка и оплата

    Варианты доставки

    1. Приобретенный товар будет доставлен по указанному адресу в любой регион России. Стоимость доставки будет рассчитана менеджером интернет-магазина при согласовании заказа и будет зависеть от общего веса груза, его габаритов, расстояния и маршрута следования. Перевозка крупногабаритного груза будет рассчитана по индивидуальному тарифу.
    2. Мы работаем через транспортные компании: «Деловые линии», «ПЭК», «Желдорэкспедиция» и другие. Доставка товара со склада магазина до транспортной компании будет бесплатной, а дальнейшая транспортировка будет рассчитана по тарифу выбранной транспортной компании.
    3. Вы можете самостоятельно забрать свой заказ из пунктов выдачи заказов Протос Маркет. Полный список пунктов выдачи, режим работы и адреса указаны на странице магазинов. Это удобный способ получить свой заказ, если вы не можете ждать доставку или хотите сэкономить на ее стоимости.

    Варианты оплаты

    • Оплата кредитной картой
    • Оплата по квитанции Сбербанка
    • Безналичный расчет (по счету)

    После оформления и оплаты заказа на товар в нашем интернет-магазине с вами свяжется менеджер Службы доставки, подтвердит заказ и согласует дату и время доставки по адресу, указанному вами при оформлении заказа. Менеджеры работают с понедельника по пятницу с 8:00 до 19:00 часов.


    С этим товаром покупают

      • Система эл.подогрева блока двигателя (ПОЖ) КрасноДар ТСС с комплектом для установки от 1200 до 1500 кВт
        Система эл.подогрева блока двигателя (ПОЖ) КрасноДар ТСС с комплектом для установки от 1200 до 1500 кВт
        280 325.88 руб./шт
        Подробнее
      • Сварочный полуавтомат многофункциональный TSS EVO MTM-200 PULSE купить в Москве с доставкой по всей России | ProtosMarket.ru
        Сварочный полуавтомат многофункциональный TSS EVO MTM-200 PULSE
        В наличии (29)
        50 850 руб./шт
        Подробнее
      • Генератор дизельный EUROPOWER EP 4000 DE по ценам производителя в Челябинске с доставкой по всей России
        Генератор дизельный EUROPOWER EP 4000 DE в Челябинске
        369 990 руб./шт
        Подробнее
      • Катод SG-55 BAK5500 по ценам производителя в Челябинске с доставкой по всей России
        Катод SG-55 BAK5500 в Челябинске
        В наличии (3820)
        130 руб./шт
        Подробнее
      • Соединитель неразъёмный, ø9 и 9 мм по ценам производителя в Челябинске с доставкой по всей России
        Соединитель неразъёмный, ø9 и 9 мм в Челябинске
        В наличии (1477)
        99 руб./шт
        Подробнее
      • Комплект кабелей для INVERMIG 500E (15м, пр-во FoxWeld/КНР) по ценам производителя в Челябинске с доставкой по всей России Комплект кабелей для INVERMIG 500E (15м, пр-во FoxWeld/КНР) по ценам производителя в Челябинске с доставкой по всей России Комплект кабелей для INVERMIG 500E (15м, пр-во FoxWeld/КНР) по ценам производителя в Челябинске с доставкой по всей России Комплект кабелей для INVERMIG 500E (15м, пр-во FoxWeld/КНР) по ценам производителя в Челябинске с доставкой по всей России
        Комплект кабелей для INVERMIG 500E (15м, пр-во FoxWeld/КНР) в Челябинске
        В наличии (1)
        41 000 руб./шт
        Подробнее
    Компания
    О компании
    Новости
    Магазины
    Политика
    Информация
    Как сделать заказ?
    Доставка и оплата
    Возврат
    Помощь
    Партнеры
    Контакты
    Будьте всегда в курсе!
    Узнавайте о скидках и акциях первым
    Оставайтесь на связи
    • Вконтакте
    • Telegram
    • WhatsApp
    Наши контакты
    +7 (000) 000-00-10
    +7 (000) 000-00-10 Звоните с 9:00 до 20:00
    +7 (000) 000-00-11 Звонок бесплатный
    +7 (000) 000-00-12 Бухгалтерия
    info@next.aspro-demo.ru
    Челябинск, ул. Лермонтова 21, 3 этаж, офис 4
    © 2020 - 2026 Protosmarket. Политика конфиденциальности Работаем по России и Москве
    Этот сайт использует cookie для хранения данных. Продолжая использовать сайт, Вы даете согласие на работу с этими файлами.